ARDUINO (Q & A) HOME-TechnoElectronics44
Q: How to upload your own program in Arduino?
Ans: follow the steps:
1. 1. You need to install Arduino IDE - DOWNLOAD
2. 2. After installation, you will see a window like this.
3. 3. If you are familiar with Arduino coding, build the code as per
your application.
4. 4. The firmware developing is
completed , now the step is how to upload the code in our PC to Arduino
controller
5. 5. Now you simply connect the connect a cable between arduino and laptop USB port.
6. 6. After that you have to set
in Arduino IDE(Tools->Boards manager->select “Arduino uno”)
7. 7. After that you have to observe “comport” number in arduino IDE (Tools->port->com8)
select that port number. Now the arduino board is successfully connected to
computer.
![]() |
| Arduino_compiler_TechnoElectronicsAdd caption |
Q: Which pin is for which purpose in 1602a LCD in Arduino?
Q: In Arduino Uno circuit board how many programs run at a time?
Ans: Here the programs means it is a “hex file”(machine
language) , so you need to dump only one “ .hex” file in Arduino
board.
if you click on the upload button in the Arduino compiler, first it will
verifies your program and then it will erase any previous program
in Arduino board then it upload the program,
so, in Arduino circuit board only one program(hex file) run at a time.
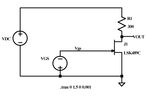
Q: How to build a voltage control resistor for Arduino?
Ans: Voltage Control Resistor: It is a three-terminal active device with one input port and two output ports. The input-pin voltage controls the value of the resistor between the output pin. VCRs are most often built with field-effect transistors.
the operating voltage.
![]() |
| Voltage_control_resistor_Arduino_Technoelectronics |
Vout is connected to Arduino Vin pin, GND is
connected to Arduino GND.
You can get the output voltage by control the
gate to source (Vgs) voltage.





0 Comments